
Üksikasjalik tootekirjeldus
| Eelis: | Suur kiirus | Märgistamise kiirus: | 60-200 tk / min |
|---|---|---|---|
| Funktsioon: | Liimkleebise sildistamine | Materjal: | Roostevaba teras |
| Pudeli tüüp: | Automaatne ümmargune pudeli sildistaja | Rakendus: | Igasuguste ümmarguste konteinerite jaoks |
| Plc kaubamärk: | MITSUBISHI (Jaapan) | Servomärgise mootor: | DELTA (Taiwan) |
punase veini märgistamise masin klaasist veinipudeli märgistamise masin, PLC juhtimissüsteem MITSUBISHI kaubamärgi märgistamise masin
Funktsioonid:
1. Kasutamine: PLC juhtimissüsteem muudab märgistusseadme kasutamise hõlpsaks
2. Materjal: Märgistusseadme põhiosa on valmistatud roostevabast terasest SUS304
3. Konfiguratsioon: meie sildimasinad võtavad kasutusele tuntud Jaapani, Saksamaa, Ameerika, Korea või Taiwani kaubamärgi osad
4. Paindlikkus: klient saab valida printeri ja koodimasina lisamise; saab valida konveieriga ühenduse loomise või mitte.
Tehnilised parameetrid:
| Nimi | Automaatne ümmargune veinipudel kiire varruka kokkutõmbuva ümmarguse pudeli märgistamise masina jaoks |
| Märgistamise kiirus | 60-350tk / min |
| Objekti kõrgus | 30-350mm |
| Objekti paksus | 20-120mm |
| Sildi kõrgus | 5-180mm |
| Sildi pikkus | 25-300mm |
| Sildirulli siseläbimõõt | 76mm |
| Sildirulli välisläbimõõt | 420mm |
| Märgistuse täpsus | ± 1mm |
| Toiteallikas | 220V 50 / 60Hz 3,5KW |
| Gaasi tarbimine printer | 5 kg / m2 (kui lisada kodeerimismasin) |
| Märgistusseadme suurus | 2800 (L) × 1650 (L) × 1500 (K) mm |
| Märgistusseadme kaal | 180kg |
Konfiguratsioon
| Ei | Osa | bränd | kogus |
| 1 | PLC | MITSUBISHI (Jaapan) | 1 |
| 2 | Peamuundur | DANFOSS (Taani) | 1 |
| 4 | HMI | WEINVIEW (Taiwan) | 1 |
| 5 | Servomärgise mootor | DELTA (Taiwan) | 1 |
| 6 | Servo sildiga mootori juht | DELTA (Taiwan) | 1 |
| 7 | Konveierimootor | HY (Taiwan) | 1 |
| 8 | Konveierimootori käigukast | HY (Taiwan) | 1 |
| 9 | Pudelimootori jagamine | GPG (Taiwan) | 1 |
| 10 | Jagava pudeli mootori käigukast | GPG (Taiwan) | 1 |
| 11 | Mootori kiiruse regulaatorit eraldav pudel | GPG (Taiwan) | 1 |
| 12 | Kodar mootor | GPG (Taiwan) | 1 |
| 13 | Kodar mootori käigukast | GPG (Taiwan) | 1 |
| 14 | eseme tuvastamine maagiline silm | OMRON (Jaapan) | 1 |
| 15 | optiline kiud | OMRON (Jaapan) | 1 |
Masina detail:

32 peamist masinaosa

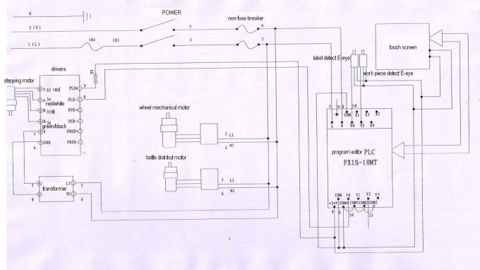
Skeem

KKK:
1 silt saab mullid
Põhjused:
① laudalt maha koorimine pole hea / mitte tasane;
② sahvelaud pole hea / mitte tasane;
③ märgistusväljund on liiga kiire või monteerimisliini kiirus on liiga madal;
④ silt on liiga lahti tõmmatud
Lahendused:
① vahetage lamedat koorimisplaati;
② vahetada lamedat adralauda;
③ aeglustada märgistuse väljundkiirust või suurendada konveieri kiirust;
④ lööge etiketi vööd korralikult.
Silt: tööstuslike etikettide masin, klaaspudelite märgistamise masin









